DEHNcube 2 YPV 1+2 1000 2M 2S FM
| Hersteller: | DEHN SE |
|---|---|
| Hersteller-Typ: | DCU 2 YPV 1+2 1000 2M 2S FM |
| Hersteller-Art. Nr.: | 900976 |
| Art. Nr.: | 14010 |
| Stück pro VPE: |
|
| Zubehör-Typ: | Überspannungsschutz |
| WEEE-Nummer: |
|
Preise sind nur für Geschäftskunden nach erfolgreicher Registrierung sichtbar.
Ab Lager verfügbar
Produktnummer:
14010
Beschreibung
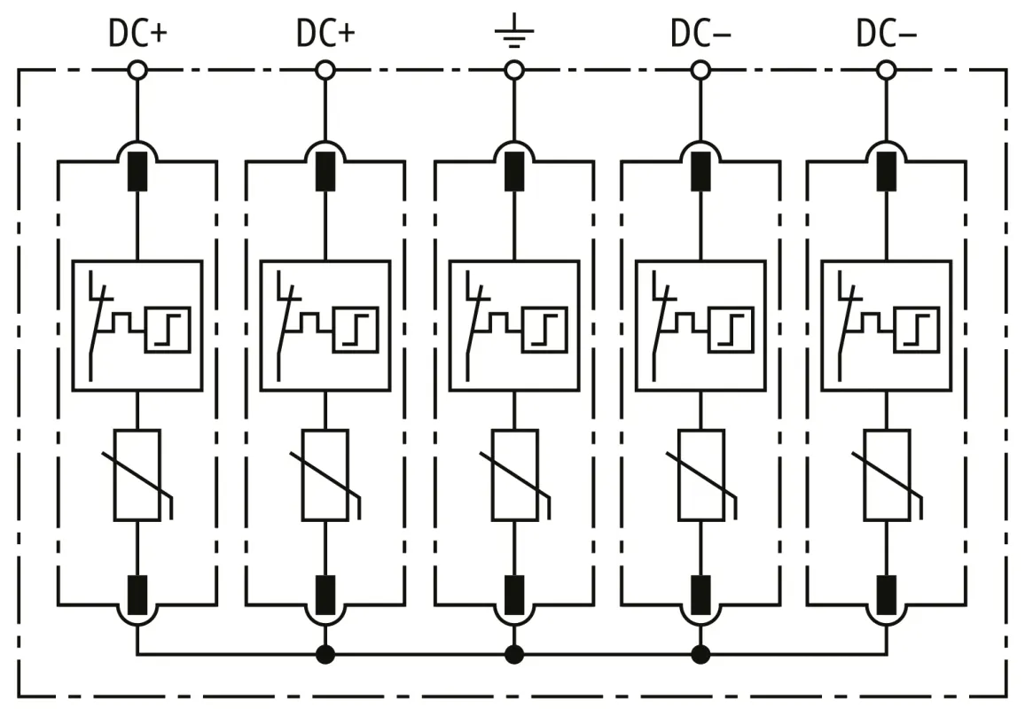
DEHNcube 2 YPV 1+2 1000 2M 2S FM, GAK Typ 1+2, IP65, 2 MPPT und je 2 Strings b. 1000V DC
Du möchtest Deine PV-Anlage effektiv vor Überspannung schützen? Der DEHNcube Generatoranschlusskasten schützt zwei MPP-Eingänge mit je zwei Strings zuverlässig bis 1000 V DC. Dank integriertem Überspannungsschutz (Typ 1+2) und Push-in-Klemmen ist die Installation schnell und sicher erledigt. Ideal für den Außeneinsatz mit robustem Gehäuse (IP65) und klar gekennzeichnetem Deckel.
Produktvorteile
- Schutz von zwei MPP-Eingängen mit jeweils zwei Strings
- Integrierter Typ 1 + Typ 2 Überspannungsschutz nach EN 61643-31
- Push-in-Klemmen für schnellen Anschluss von Ein- und Ausgang
- IP65-Gehäuse für langlebigen Außeneinsatz
- Schnelle Statuskontrolle dank Klarsichtdeckel mit Kennzeichnung
- Kompakte Lösung mit effizienter Kabelführung und hoher Sicherheit
Produkteigenschaften
- 2 MPP-Eingänge, je 2 Strings
- Max. PV-Spannung: 1000 V DC
- Blitzstoßstrom (10/350 µs): 12,5 kA
- Nennableitstoßstrom (8/20 µs): 20 kA
- Schutzpegel: ≤ 3,8 kV
- Nennlaststrom: 30 A
- Ansprechzeit: ≤ 25 ns
- Schutzart: IP65 für Außenanwendungen
- FM-Kontakt: Wechsler, geeignet für AC und DC
- Anschlussquerschnitt DC: 2,5–6 mm² feindrähtig
Downloads
Videos
Videos
-
Schutz der DC-Seite vor ÜberspannungenDas YouTube Video wurde aufgrund deiner Cookie-Einstellungen blockiert.








